【产品用途:】
D342X型法兰式软密封蝶阀主要适用于工作温度≤120℃的水厂、电厂、钢厂冶炼、造纸、化工、饮食等系统供排水用,尤为适用自来水管路上作为调节流量设备使用。软密封蝶阀也适用于如轻纺、造纸、食品、医药、化工、石油、电力、等给排水、气体管道上。
【 产品特点:】
D342X系列法兰式软密封蝶阀产品由橡胶密封蝶阀和碳钢或不锈钢阀板、阀杆构成,软密封蝶阀适用于温度≤120℃如轻纺、造纸、食品、医药、化工、石油、电力、等给排水、气体管道上作调节流量和截流介质的作用。
【结构特点:】
设计新颖合理、结构独特,重量轻,启闭迅速。
2、操力矩小,操作方便,省力灵巧。
3、可以任何位置安装,维修方便。
4、密封件可以更换,密封性能可靠达到双向密封零泄漏。
5、密封材料耐老化、耐腐蚀,使用寿命长等特点。
【标准规范:】
设计制造标准:GB/T 12238-2008
结构长度标准:GB/T 12221-2005
连接法兰标准:GB/T 9113
压力温度等级:GB/T 12224-2005
试验检验标准:GB/T 13927-2008
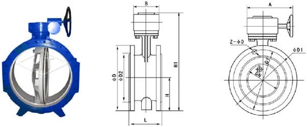
【主要外形连接尺寸】 单位:mm
|
DN |
主要外形连接尺寸 |
法兰尺寸和螺栓孔尺寸 |
|||||||||||||||
|
L |
H |
H1 |
A |
B |
0.6MPa |
1.0MPa |
1.6MPa |
||||||||||
|
D |
D1 |
D2 |
n-d |
D |
D1 |
D2 |
n-d |
D |
D1 |
D2 |
n-d |
||||||
|
50 |
108 |
82.5 |
338 |
180 |
65 |
140 |
110 |
88 |
4-14 |
185 |
125 |
99 |
4-18 |
165 |
125 |
99 |
4-18 |
|
65 |
112 |
92.5 |
358 |
180 |
65 |
160 |
130 |
108 |
4-14 |
185 |
145 |
118 |
4-18 |
185 |
145 |
118 |
4-18 |
|
80 |
114 |
100 |
413 |
245 |
72 |
190 |
150 |
124 |
4-18 |
200 |
160 |
132 |
8-18 |
200 |
160 |
132 |
8-18 |
|
100 |
127 |
110 |
428 |
240 |
72 |
210 |
170 |
144 |
4-18 |
220 |
180 |
156 |
8-18 |
220 |
180 |
156 |
8-18 |
|
125 |
140 |
125 |
444 |
240 |
72 |
240 |
20 |
174 |
8-18 |
250 |
210 |
184 |
8-18 |
250 |
210 |
184 |
8-18 |
|
150 |
140 |
142.5 |
553 |
350 |
93 |
265 |
225 |
199 |
8-18 |
285 |
240 |
211 |
8-22 |
285 |
240 |
211 |
8-22 |
|
200 |
152 |
170 |
678 |
350 |
93 |
320 |
280 |
254 |
8-18 |
340 |
295 |
266 |
8-22 |
340 |
295 |
266 |
12-22 |
|
250 |
165 |
192.5 |
742 |
550 |
350 |
375 |
335 |
309 |
12-18 |
395 |
350 |
319 |
12-22 |
405 |
355 |
319 |
12-26 |
|
300 |
178 |
222.5 |
803 |
600 |
350 |
440 |
395 |
363 |
12-22 |
445 |
400 |
370 |
12-22 |
460 |
410 |
370 |
12-26 |
|
350 |
190 |
252.5 |
866 |
600 |
350 |
490 |
445 |
413 |
12-22 |
505 |
460 |
429 |
16-22 |
520 |
470 |
429 |
16-26 |
|
400 |
216 |
282.5 |
940 |
600 |
350 |
540 |
495 |
463 |
16-22 |
565 |
515 |
480 |
16-26 |
580 |
525 |
480 |
16-30 |
|
450 |
222 |
307.5 |
995 |
750 |
380 |
595 |
550 |
518 |
16-22 |
615 |
565 |
530 |
20-26 |
640 |
585 |
548 |
20-30 |
|
500 |
229 |
335 |
1058 |
750 |
380 |
645 |
600 |
568 |
20-22 |
670 |
620 |
582 |
20-26 |
715 |
650 |
609 |
20-33 |
|
600 |
267 |
390 |
1163 |
750 |
380 |
755 |
705 |
667 |
20-26 |
780 |
725 |
682 |
20-30 |
840 |
770 |
720 |
20-36 |
|
700 |
292 |
447.5 |
1283 |
750 |
380 |
860 |
810 |
772 |
24-26 |
895 |
840 |
794 |
24-30 |
910 |
840 |
794 |
24-36 |
|
800 |
318 |
507.5 |
1398 |
750 |
380 |
975 |
920 |
878 |
24-30 |
1015 |
950 |
901 |
24-33 |
1025 |
950 |
901 |
24-39 |
|
900 |
330 |
557.5 |
1498 |
1250 |
380 |
1075 |
1020 |
978 |
24-30 |
1115 |
1050 |
1001 |
28-33 |
1125 |
1050 |
1001 |
28-39 |
|
1000 |
410 |
615 |
1608 |
1500 |
580 |
1175 |
1120 |
1078 |
28-30 |
1230 |
1160 |
1112 |
28-36 |
1255 |
1170 |
1112 |
28-42 |
|
1200 |
470 |
727.5 |
1876 |
1500 |
580 |
1405 |
1340 |
1295 |
32-33 |
1455 |
1380 |
1328 |
32-39 |
1485 |
1390 |
1328 |
32-48 |